公司简介 公司新闻 综合资讯 产品展示 产品目录 客户反馈 联系我们 电子邮局
  主要产品为静态混合器、动态混合设备、传热反应设备、过滤设备、消声设备、阻火设备等

旋转加料器
星形给料机
叶轮给料机
卸料阀
关风机
闭风阀
卸灰阀
星形阀
螺旋输送机
混合器
塔式反应器
管式反应器
环管反应器
高效换热器
萃取塔
管道过滤器
自清洗过滤器
空气过滤器
灭菌过滤器
滤件系列
精细过滤器
粉体混合设备
液体搅拌设备
消声器
特种小型设备
排水器
纸浆漂白专用设备
除污器(滤水器)
喷射器
纤维除雾器
自动进料搅拌釜

 
喷射器
PSQ-型蒸汽喷射真空泵
PSG-气固喷射器
PSB电线电缆燃烧仪检测喷射器
PSC活性炭喷射器
PSS水泵房喷射节能器
PSY生物柴油喷射器
PST脱硫喷射器
PSD-地坑喷射器
PSJ喷射加热器
罐用喷射器
PSK开工抽引器
PSZ罐底焊缝真空检漏盒抽空器
液固喷射器
抽空器
 
旋转加料器

旋转下料阀
旋转下料阀又称旋转阀,卸灰阀,回转阀,旋转供料器,叶轮给料机,锁气器,旋转加料器,旋转下料器,回转下料器,回转下料阀,星形加料器,关风器,关风机,关风阀,闭风机(器),旋转给料器,旋转给料阀,叶轮给料机,叶轮给料器,输送阀,锁气排料阀,星型卸料器,星型下料器,星型下料阀,星型卸料阀,星型给料器,星型给料机,星形卸料器,星形卸料阀,锁风阀,锁风排料器,锁风给料器,锁风机,锁风,回转阀,输送阀,气锁阀,气锁器,行星给料器,锁气给料器,锁风喂料器,气锁,锁风喂料机,旋转排料阀,星(形)型旋转阀,Airlock,RotaryFeeder。不论名称的命名是怎样,上述下料阀的结构与工作原理都是相同的;旋转下料阀体内部有多个叶片的转子,上部料仓的物料靠自重落下填充在叶片间的空隙中,物料随转子的旋转在下部料口卸出。因转子叶片间的空间是均匀一致的,转子转速既可以是恒速的,也可以是变速的,所以旋转下料阀被广泛的应用在环保、冶金、化工、粮食、水泥、筑路、等行业的粉状、颗粒状物料的卸料、供料和计量、配料的场合,更值得一提的是,随着微电脑技术的发展,各行业对粉状和颗粒状物料的实时供给需求不断增长,旋转下料阀与变频、调速装置的结合成为实时供料的理想方案。
旋转下料阀的型号:
(一) 普通型 代号J表示
旋转下料阀的上、下法兰口基本是方形或圆形,也可以由用户选定,普通型一般适用于无风力压力。
(二)耐磨损叶轮 代号N表示
该型旋转下料阀的特点是转子叶片的端部用特殊耐磨材料制成,能保证叶片端部与壳内壁有良好接触,并且磨损后可方便地调节叶片端部,使其仍然与壳体内壁保持良好接触,如果用封闭型的转子具有更好的锁气性能,耐磨损型主要适用琢磨性能较强的物料。
(三)耐高温型 代号H表示
它所输送物料的温度可达280℃,两端轴承与叶轮有一定隔离,能防止超细粉料与轴承接触。
旋转下料阀型号含义:

YJD-HX型

主要技术参数

型号
每转体积
电机型号功率
转速
工作温度
重量
安装连接尺寸
(kW)
r/min
(℃)
kg
A
B
C
A1
B1
C1
H
L
孔直径
2型
2立升/转
Y801-4/0.55
24
≤280
75
Ф240
Ф200
Ф150
240×240
220
150×150
240
850
8-Ф11
4型
4立升/转
Y801-4/0.55
24
≤280
105
Ф280
Ф240
Ф180
270×270
230
180×180
280
900
8-Ф11
6型
6立升/转
Y801-4/0.55
24
≤280
110
Ф300
Ф260
Ф200
290×290
250
200×200
300
930
8-Ф11
8型
8立升/转
Y802-4/0.75
24
≤280
125
Ф320
Ф280
Ф220
310×310
270
220×220
320
950
8-Ф11
10型
10立升/转
Y90S-4/1.1
24
≤280
135
Ф340
Ф300
Ф240
330×330
290
240×240
340
1000
8-Ф13
12型
12立升/转
Y90S-4/1.1
24
≤280
140
Ф360
Ф320
Ф260
350×350
310
260×260
360
1030
8-Ф17
14型
14立升/转
Y90S-4/1.1
24
≤280
160
Ф380
Ф340
Ф280
370×370
330
280×280
380
1050
8-Ф17
16型
16立升/转
Y90S-4/1.1
24
≤280
180
Ф400
Ф350
Ф300
400×400
350
300×300
400
1080
8-Ф17
18型
18立升/转
Y90L-4/1.5
24
≤280
195
Ф420
Ф380
Ф320
420×420
370
320×320
420
1100
8-Ф17
20型
20立升/转
Y90L-4/1.5
24
≤280
210
Ф440
Ф400
Ф340
440×440
380
340×340
440
1150
8-Ф17
26型
26立升/转
Y100L1-4/2.2
24
≤280
310
Ф500
Ф460
Ф400
510×510
450
400×400
500
1300
12-Ф17
30型
30立升/转
Y100L2-4/3
24
≤280
350
Ф560
Ф500
Ф440
550×550
485
440×440
560
1350
12-Ф17
40型
40立升/转
Y100L2-4/3
24
≤280
450
Ф620
Ф558
Ф500
620×620
558
500×500
620
1500
12-Ф17
50型
50立升/转
Y100L2-4/3
24
≤280
500
Ф650
Ф600
Ф540
650×650
600
540×540
650
1600
12-Ф17

单级减速比和输出轴转速:

减 速 比
1∶9
1∶11
1∶13
1∶17
1∶23
1∶29
1∶35
1∶43
1∶59
1∶71
1∶87
输出轴转数 (转/分)
167
136
115
88
65
52
43
35
25
21
17
输入转速
1500r/min

双级减速比和输出轴转速:

减 速 比
1∶121
1∶187
1∶289
1∶391
1∶473
1∶595
1∶731
1∶841
1∶1003
输出轴转数(转/分)
12.4
8
5.2
3.8
3.2
2.5
2
1.8
1.5
减 速 比
1∶1225
1∶1505
1∶1849
1∶2056
1∶2537
1∶3481
1∶4189
1∶5133
1∶7569
输出轴转数(转/分)
1.2
1
0.8
0.7
0.6
0.4
0.36
0.3
0.2
输入转速
1500r/min

YCJ-H型

主要技术参数:

型号
每转体积
安装连接尺寸
A
B
C
A1
B1
C1
a
D
P
D1
H
L
孔直径
2型
2立升/转
Ф240
Ф200
Ф150
240×240
200
150×150
30
25
8
28
240
425
8-Ф11
4型
4立升/转
Ф280
Ф240
Ф180
270×270
230
180×180
40
30
8
33
280
510
8-Ф11
6型
6立升/转
Ф300
Ф260
Ф200
290×290
250
200×200
40
30
8
33
300
530
8-Ф11
8型
8立升/转
Ф320
Ф280
Ф220
310×310
270
220×220
40
30
8
33
320
550
8-Ф11
10型
10立升/转
Ф340
Ф300
Ф240
330×330
290
240×240
55
35
10
39
340
580
8-Ф13
12型
12立升/转
Ф360
Ф320
Ф260
350×350
310
260×260
55
35
10
39
360
600
8-Ф17
14型
14立升/转
Ф380
Ф340
Ф280
370×370
330
280×280
55
35
10
39
380
620
8-Ф17
16型
16立升/转
Ф400
Ф360
Ф300
400×400
350
300×300
55
40
12
44
400
640
8-Ф17
18型
18立升/转
Ф420
Ф380
Ф320
420×420
370
320×320
55
40
12
44
420
660
8-Ф17
20型
20立升/转
Ф440
Ф400
Ф340
440×440
390
340×340
55
40
12
44
440
680
8-Ф17
26型
26立升/转
Ф500
Ф460
Ф400
510×510
450
400×400
55
40
12
44
520
740
12-Ф17
30型
30立升/转
Ф560
Ф500
Ф440
550×550
485
440×440
65
50
16
56
550
780
12-Ф17
40型
40立升/转
Ф620
Ф558
Ф500
620×620
558
500×500
65
50
16
58
620
850
12-Ф17
50型
50立升/转
Ф650
Ф600
Ф540
650×650
600
540×540
65
50
16
56
650
890
12-Ф17

锁气阀
我公司多年生产制造旋转下料阀,不断改进研究各种形式旋转下料阀优长之处,并吸收消化国外锁气阀的先进技术,研发出新一代锁气阀,加工更精细,各部件气密性好,非常适用于正、负压气力输送系统,脉冲除尘设备等气密性要求较高的环境;其在常压下的供料,运转能力也有进一步的提高,因此它是通用旋转下料阀的一个发展型。
锁气阀用在气力输送系统中,对于正压输送系统或负压输送系统,锁气阀可以均匀连续地向输送管供料,以保证气力输送管内的气、固体比较稳定,使气力输送能正常工作。同时,又能将锁气阀的上、下部气压隔断,起到锁气、锁风作用。因此,锁气阀是气力输送系统中常用的重要部件。

SQF型标准型,锁气阀的上下法兰均为圆形,
对于用户所需的特殊接口可另行设计生产。
NSQF型锁气阀是适用于琢磨性粉料,
壳体内有耐磨性能好更换方便的内衬套。

转子选型表示:

锁气阀型号含义:


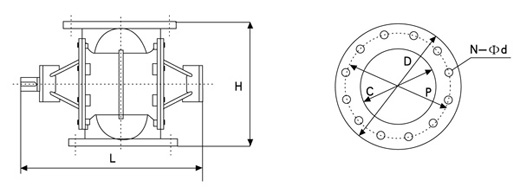
主要技术参数:

型 号
口径(mm)
容积
驱动功率
外 形 尺 寸
重量
C
L/rev
kW
D
P
N-Фd
H
L
kg
125型
125
2
0.37
250
210
8-Ф23
280
500
60
150型
150
4
0.37
285
240
8-Ф23
330
540
70
200型
200
6
0.75
340
295
8-Ф23
350
610
105
250型
250
12
0.75
400
350
12-Ф23
420
660
135
300型
300
22
1.5
445
400
12-Ф23
490
730
225
350型
350
40
2.2
505
460
16-Ф23
580
900
355
400型
400
60
2.2
565
515
16-Ф27
640
960
430
450型
450
80
4.0
615
565
20-Ф27
700
1060
575
  购买旋转下料阀时,请提供以下信息:
1、是实时供料,全量供料,还是气锁;
2、供料量kg/h:
下料阀供料能力计算方法:
W(m3/h)=V(l/rev.)×N(rpm)×60×η(%)/1000
W:卸料量(m3/H)
V:转子的容量(l/rev)
N:转子的速度(rpm)
η:物料的充填率≤100%
物料充填率选取:
颗粒状物料:η≈0.6-0.9
粉状物料:η≈0.5-0.8
以上填充率仅作参考,对于一些特殊的物料,建议在实际运作后测出。
3、输送物料的性能、名称、粒度、堆积密度、温度、含水率、安息角;
4、输送气体名称及下料阀上、下法兰间的压力差。
5、法兰的规格。

旋转下料阀的选用:
1、订货前,应先了解本产品技术参数、安装尺寸、转速及使用范围等择优选用配套,以免造成不必要的损失。
2、使用说明书中,安装尺寸及转速是我厂通用的标准,如用户单位需特殊要求,我厂可满足您的要求设计生产。
3、我厂旋转下料阀壳体是标准铸铁,还可以生产铸不锈钢、铸铝、铸铜、球磨铸铁、焊接壳体等,以及特殊行业特殊环境使用的特殊材质下料阀(如:氯碱行业应用的特殊材质Inconel600)。
4、本产品配用普通电动机以Y系列为标准,还可根据用户实际需要配用防爆电机、调速电机、变频器等。

南通沃尔驰石化工程有限公司 地址:启东市汇龙镇中央河中路691号 邮编:226200 http://www.jsxadq.com E-mail:13862978163@126.com
电话:0513-83325673 传真:0513-83119878 手机: 13862978163
星形给料机|旋转阀|叶轮给料机|卸料阀|关风机|闭风阀|卸灰阀|星形阀